台湾米其林36052 內藏式中空(氣)油壓三爪夾盤
台湾米其林36052 內藏式中空(氣)油壓三爪夾盤型号:MO-04A / MO-05A / MO-06A / MO-08A / MO-10A / MO-12A●內藏式中空油壓夾盤適用於工作台面的鑽、銑加工而設計。●氣缸防鏽處理:在潮濕及工作環境較差的情況,氣缸內部經防鏽處理,部會生鏽或卡死。●防塵裝置:在工作檯上的鑽銑工作、切削及冷卻液不易進入夾盤內部,確保夾盤的使用壽命及精度。●內藏式油缸特性:
全国服务热线:
18913177528
在线咨询
产品详情
台湾米其林36052 內藏式中空(氣)油壓三爪夾盤
型号:MO-04A / MO-05A / MO-06A / MO-08A / MO-10A / MO-12A
● 內藏式中空油壓夾盤適用於工作台面的鑽、銑加工而設計。
● 氣缸防鏽處理:在潮濕及工作環境較差的情況,氣缸內部經防鏽處理,部會生鏽或卡死。
● 防塵裝置:在工作檯上的鑽銑工作、切削及冷卻液不易進入夾盤內部,確保夾盤的使用壽命及精度。
● 內藏式油缸特性:把油缸直接裝置於夾頭內部,更能確保連結的穩定性、提升夾持力,適用於重切削及夾持精度的保持,倍增機械效益。
● 可採用到位偵測,配合自動化系統。
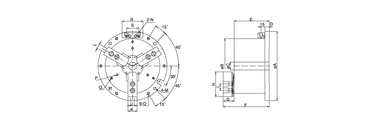
單位:mm
| 訂購編號 | 型號 | A | B | C | D | E | F | G | H | 1 | J | K | L | M | N | ||||||
| 36052-04 | MO-04A | 157 | 115 | - | 15 | 77.5 | 104 | 26 | 49.5 | 14 | 10 | 23 | 13 | φ9 (PCDφ135) | PT1/8 | ||||||
| 36052-05 | MO-05A | 185 | 135 | - | 15 | 95 | 128 | 33 | 62 | 14 | 10 | 25 | 13 | φ9 (PCD φ165) | PT1/4 | ||||||
| 36052-06 | MO-06A | 224 | 169 | 25 | 16 | 118 | 158 | 40 | 73 | 20 | 12 | 31 | 18 | φ11 (PCD φ202) | PT1/4 | ||||||
| 36052-08 | MO-08A | 265 | 210 | 30 | 20 | 138 | 180 | 42 | 95 | 25 | 14 | 35 | 18 | φ11 (PCD φ243) | PT1/4 | ||||||
| 36052-10 | MO-10A | 315 | 254 | 52 | 23 | 150 | 196 | 46 | 110 | 30 | 16 | 40 | 18 | φ13 (PCD φ285) | PT1/4 | ||||||
| 36052-12 | MO-12A | 375 | 304 | 80 | 23 | 165 | 219 | 54 | 129 | 30 | 21 | 50 | 18 | φ17 (PCD φ340) | PT3/8 | ||||||
| 型號 | O | P | R | S | Q | 活塞面積 | 柱塞行程 | 爪行程直徑 |
| MO-04A | M8xP1.25 | 3-M8xP1.25(PCD φ90) | 64 | 47 | - | 57cm² | 9mm | 3.8mm |
| MO-05A | M8xP1.25 | 3-M8xP1.25(PCDφ100) | 80 | 47 | - | 74 cm² | 10mm | 5.4mm |
| MO-06A | M10xP1.5 | 3-M8xP1.25(PCD φ34) | 80 | 47 | - | 97 cm² | 12mm | 5.5mm |
| MO-08A | M10xP1.5 | 3-M10xP1.5(PCDφ136) | 80 | 47 | 3-M10xP1.5(PCDφ186) | 156cm² | 16mm | 7.4mm |
| MO-10A | M12xP1.75 | 3-M12xP1.75(PCD φ170) | 80 | 47 | 3-M12xP1.75(PCDφ230) | 235cm² | 19mm | 8.8mm |
| MO-12A | M16xP2.0 | 3-M12xP1.75(PCDφ200) | 80 | 55 | 3-M12xP1.75(PCDφ260) | 292cm² | 23mm | 10.6mm |
| 型號 | 最大靜夾持力 | 最大設定油壓壓力 | 空壓夾持力 (7kgf/cm²)(0.7Mpa) | 夾持範圍 | 重量 (kg) | |||
| MO-04A | 2400 kgf | 23.5 KN | 15 kgf/cm² | 1.5 Mpa | 1100 kgf | 10.8 KN | φ9~ φ115 | 7 |
| MO-05A | 3285 kgf | 32.2 KN | 20 kgf/cm² | 2.0 Mpa | 1300 kgf | 12.7 KN | φ12-φ135 | 11.2 |
| MO-06A | 5040 kgf | 49.4 KN | 20 kgf/cm² | 2.0 Mpa | 2000 kgf | 19.6 KN | φ15~φ169 | 21 |
| MO-08A | 8100 kgf | 79.4 KN | 20 kgf/cm² | 2.0 Mpa | 3300 kgf | 32.3 KN | φ20~ φ210 | 36.8 |
| MO-10A | 12210 kgf | 119.7 KN | 20 kgf/cm² | 2.0 Mpa | 4800 kgf | 47 KN | φ33~φ254 | 56.4 |
| MO-12A | 14500 kgf | 142.1 KN | 20 kgf/cm² | 2.0 Mpa | 5100 kgf | 50 KN | φ40~φ304 | 88.5 |












全国服务热线